700R4 Lockup Wiring Diagram : 700r4 Toggle Switch Lockup Third Generation F Body Message Boards - It is a gm automatic transmission designed for rear wheel drive vehicles.. Do i need to have a 12v power source to have lockup? September 4, 2011, 12:09 pm. 3 phase motor contactor wiring diagram. It is a gm automatic transmission designed for rear wheel drive vehicles. Видео how to install a 700r4 monster.

700r4 tcc (torque converter lockup) wiring out of an '86 c10. This function works either by the ecm or a vacuum switch. Before i put it in i want to install a lockup kit. I made a clear diagram on how to install fog lights on a mk4. I've learned a lot over the winter rebuilding my chevy automatic transmissions.

Torque Converter Clutch Wiring 700r4 In K5 Blazer Forum Chevy Blazer Forums
Torque Converter Clutch Wiring 700r4 In K5 Blazer Forum Chevy Blazer Forums from blazerforum.com
My wiring question is the 700r4 i picked up is from a 1989 chevy 2500, it has a 3 wire plug for the lockup circuit, one of which goes to the ecm. February 23, 2019february 22, 2019. Been doing some research on this and need a clear answer here: I made a clear diagram on how to install fog lights on a mk4. Here is a diagram and a picture (several pics collaged together)of what found when i dropped my trans pan: Where is the 12v source supposed to come from? Some 700's have 2nd 3rd and 4th pressure switches and a temperature switch. I noticed i have my lockup solenoid wiring goes to a 4 connector plug on the outside driver's side of the case.

1997 dodge dakota wiring diagram.

Gm was feeling the pressure to produce more fuel efficient cars from both the government and consumers, the latter were just starting to discover the. When i look at a tbi ecm pinout diagram, i find that the tan wire comes from a7 labelled tcc, while the light blue wire comes from c7 labelled. The fog harness i bought came with no instructions and the ones i found were not helpful. Real world wiring diagram the fuse holders connect to the vehicles fuse. Speaking of wiring, we also took this opportunity to add a tci lockup wiring kit (pn 376600) into the mix. I noticed i have my lockup solenoid wiring goes to a 4 connector plug on the outside driver's side of the case. Been doing some research on this and need a clear answer here: Seems to be a million options on the market for wiring up your 700r4 to lockup after removing the computer. September 4, 2011, 12:09 pm. I got the toggle switch from the junk yard out of an older nissan maxima its lighted and says od on it. Before i put it in i want to install a lockup kit. I made it down to the dealer to get the schematic i guess i'm not sure what your doing. So when i go searching for one i.

The pigtail on the outside of the case has three wires. Thanks a bunch to michelle for letting me take over the basement all winter. So when i go searching for one i. There is a diagram showing the electrical wire connections, but the diagram doesn't show where the vacuum. Видео how to install a 700r4 monster.

700r4 Tcc Lockup Wiring The Bangshift Com Forums
700r4 Tcc Lockup Wiring The Bangshift Com Forums from 63chevyii.com
700r4 that was internally wired up for one wire 4th gear lockup. When i look at a tbi ecm pinout diagram, i find that the tan wire comes from a7 labelled tcc, while the light blue wire comes from c7 labelled. I have a 700r4 out of a 1986 silverado 2wd and i am going to install it on a 1970 chevy c10 2wd. Some 700's have 2nd 3rd and 4th pressure switches and a temperature switch. For 1968 camaro rs ss manual e book 67 camaro. When you employ your finger or perhaps stick to the circuit along with your eyes, it may be easy to mistrace the circuit. Fog light mk4 harness wiring diagram. Ask your own chevy question.

Been doing some research on this and need a clear answer here:

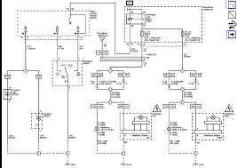
It is a gm automatic transmission designed for rear wheel drive vehicles. The callouts reference the legend in the how it works diagram. For 1968 camaro rs ss manual e book 67 camaro. Monster transmission presents curt's corner as curt goes over on how to install a lockup kit on a 700r4 transmission. September 4, 2011, 12:09 pm. Here is a diagram and a picture (several pics collaged together)of what found when i dropped my trans pan: When you employ your finger or perhaps stick to the circuit along with your eyes, it may be easy to mistrace the circuit. If you are using a 700r4 without a computer why do you i'm headed to the local parts yard saturday for a vaccuum switch to disengage the lockup, so. I have converted the tbi system to a conventional holley carb, new intake manifold, mallory ignition, and mecha… read. Hey guys, getting around to wiring up the tcc in my car. External wire harness repair kit, 5 prong round. 3 phase motor contactor wiring diagram. My wiring question is the 700r4 i picked up is from a 1989 chevy 2500, it has a 3 wire plug for the lockup circuit, one of which goes to the ecm.

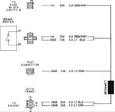
Some 700's have 2nd 3rd and 4th pressure switches and a temperature switch. 1968 camaro tachometer wiring rv hot water wiring diagram camaro fuse diesel wiring diagram jeep cj5 fuse box bowtie overdrives lock up wiring diagram dodge color diagram 700r4 transmission wiring schematic 2001 ktm wiring diagram. The callouts reference the legend in the how it works diagram. Here is a diagram and a picture (several pics collaged together)of what found when i dropped my trans pan: Yes i still have the wiring in my truck minus the low vacuum switch shown in the diagram on the left.

700r4 Lockup Wiring Diagram Single Pole Electrical Wiring Diagrams Begeboy Wiring Diagram Source
700r4 Lockup Wiring Diagram Single Pole Electrical Wiring Diagrams Begeboy Wiring Diagram Source from static-cdn.imageservice.cloud
Speaking of wiring, we also took this opportunity to add a tci lockup wiring kit (pn 376600) into the mix. 1 trick that i 2 to print a similar wiring plan off twice. Check the wirings diagram and make sure the switch is working correctly and make sure you get voltage to the switch. Видео how to install a 700r4 monster. External wire harness repair kit, 5 prong round. For 1968 camaro rs ss manual e book 67 camaro. Do i need to have a 12v power source to have lockup? When you employ your finger or perhaps stick to the circuit along with your eyes, it may be easy to mistrace the circuit.

Seems to be a million options on the market for wiring up your 700r4 to lockup after removing the computer.

Harley davidson golf cart battery. Ask your own chevy question. Earlier versions without ecm use a vacuum switch connected to ported vacuum. Speaking of wiring, we also took this opportunity to add a tci lockup wiring kit (pn 376600) into the mix. Gm was feeling the pressure to produce more fuel efficient cars from both the government and consumers, the latter were just starting to discover the. If you are using a 700r4 without a computer why do you i'm headed to the local parts yard saturday for a vaccuum switch to disengage the lockup, so. My wiring question is the 700r4 i picked up is from a 1989 chevy 2500, it has a 3 wire plug for the lockup circuit, one of which goes to the ecm. Yes i still have the wiring in my truck minus the low vacuum switch shown in the diagram on the left. Check the wirings diagram and make sure the switch is working correctly and make sure you get voltage to the switch. I've learned a lot over the winter rebuilding my chevy automatic transmissions. Real world wiring diagram the fuse holders connect to the vehicles fuse. 700r4 that was internally wired up for one wire 4th gear lockup. When you employ your finger or perhaps stick to the circuit along with your eyes, it may be easy to mistrace the circuit.

By